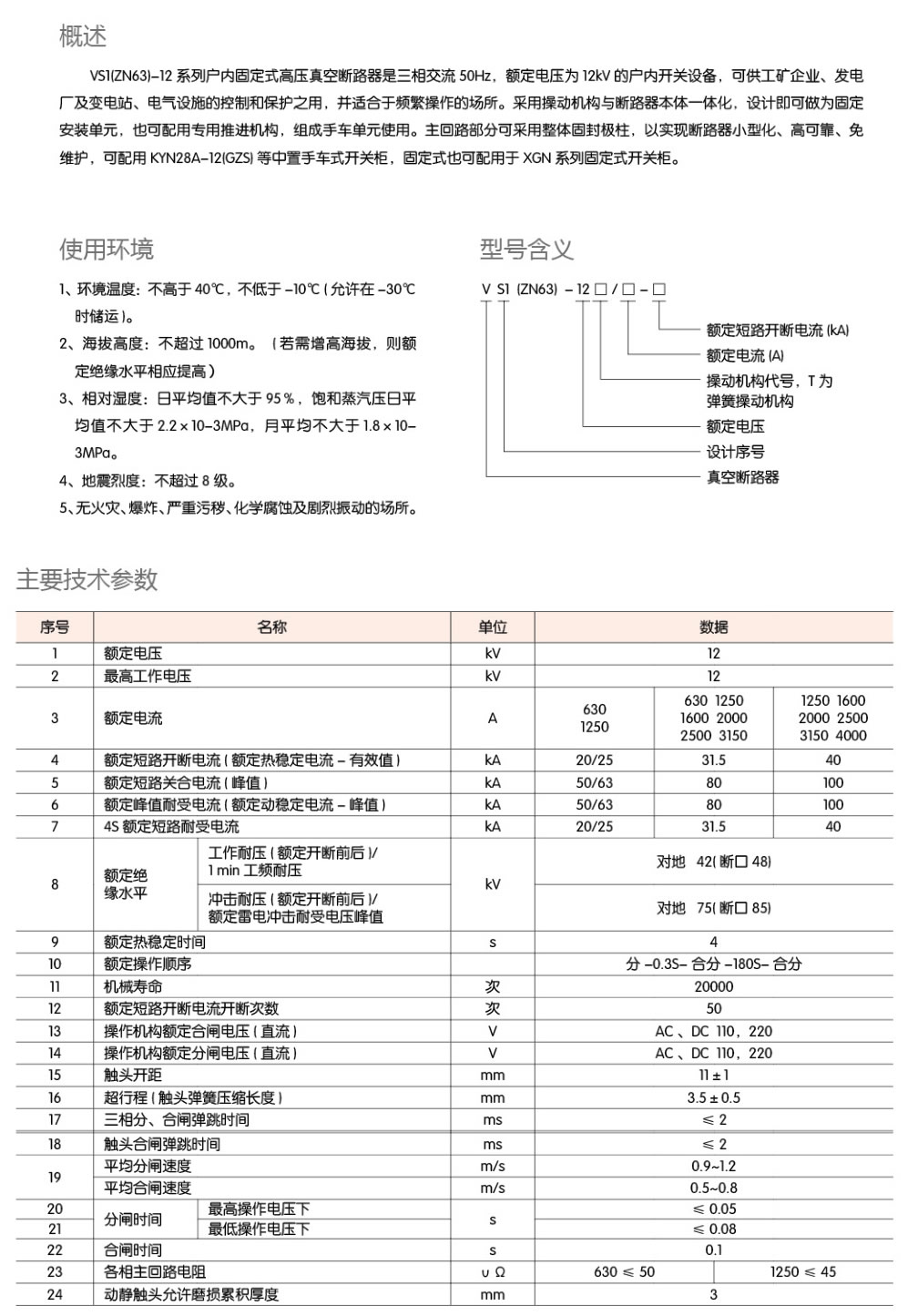
VS1(ZN63)-12 series indoor fixed high-voltage vacuum circuit breaker is a three-phase AC 50Hz, rated voltage of 12kv indoor switchgear, which can be used for the control and protection of industrial and mining enterprises, power plants, substations, and electrical facilities. And it is suitable for places with frequent operations. The operating mechanism is integrated with the circuit breaker body, and the design can be used as a fixed installation unit, or it can be equipped with a special propulsion mechanism to form a handcart unit.

VS1(ZN63)-12 Fixed high voltage vacuum circuit breaker

If you have any enquiry about quotation or cooperation,please free to email us ata65148373@163.comor use the following enquiry form,Our sales representative will contact you within 24 hous.thank you for your interest in our products.
Share our Product over the Social Networks
Search across our website